Ilmanvaihtoventtiili Fläktgroup RK-T 200
Toimitusaika pääsääntöisesti 2-5 arkipäivää.
Ilmanvaihtoventtiili Fläktgroup RK-T 200 on jälkitoimituksessa ja lähetetään heti kun on saatavilla
Noudettavissa KarelianStoresta
Tavallisesti valmis 2–4 päivässä
Maksutavat
Maksutavat
KarelianStore-verkkokaupassa voit maksaa tilauksesi pankki- tai luottokortilla, verkkopankkimaksuna, mobiilimaksuna tai esimerkiksi Klarnan osamaksulla. Voit tutustua tarkemmin tilauksen tekemiseen, maksamiseen ja käytössä oleviin maksutapoihin Kuinka teet tilauksen-sivulta.
Projektimyyntipalvelu
Projektimyyntipalvelu
Onko sinulla rakennusprojekti käynnissä? Voit pyytää tarjouksen haluamistasi tuotteista projektimyynnistämme.
Ilmanvaihtoventtiili Fläktgroup RK-T 200 on jälkitoimituksessa ja lähetetään heti kun on saatavilla
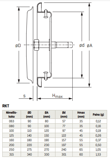
Asentaminen on helppoa: Venttiili kiinnitetään kanavaan kahdella tuotteen mukana toimitettavalla ruuvilla rungon sisäpuolelta kiertäen. Koot 100 - 200 voidaan kiinnittää ilman ruuveja peitelevyyn MPL.
RKT-venttiilin runko ja kansi on valmistettu teräslevystä, polttomaalattu valkoiseksi.



